Her kan du diskutere alt som har med det tekniske på Corrado'n.
Moderator: Moderators
junjun
Posts: 43 Joined: 26 Apr 2007, 13:12
Location: Sørlandet
Post
by junjun » 14 Jan 2008, 12:21
Corradoen har nå et enormt forbruk av bensin, og det renner uforbrent bensin ut i potta, som av og til eksploderer :S
lurer da på akkurat hva som er galt?
bensinmengdefordeler eller bensinpumpa kanskje? men er det ikke sånn at viss pumpa er gåen, så funker ikke bilen?
Corrado G60
Kisseg60
Posts: 1507 Joined: 13 Dec 2006, 18:57
Location: Nesodden
Post
by Kisseg60 » 14 Jan 2008, 19:08
kan være så enkelt som en tempføler!
En av de to tempfølerne går til styreenhetn. vis den tror motorn er kald så kjører den på med masse bensin!
junjun
Posts: 43 Joined: 26 Apr 2007, 13:12
Location: Sørlandet
Post
by junjun » 16 Jan 2008, 00:18
ja det kunne ha vært den ja.. var just nede på et værksted å fikk kjøpt meg det..
funka endå ikke..
Corrado G60
Kisseg60
Posts: 1507 Joined: 13 Dec 2006, 18:57
Location: Nesodden
Post
by Kisseg60 » 16 Jan 2008, 17:13
hmm. da står jeg på bar bakke gitt.! da aner ikke jeg hva det kan være!
junjun
Posts: 43 Joined: 26 Apr 2007, 13:12
Location: Sørlandet
Post
by junjun » 20 Jan 2008, 13:05
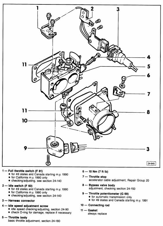
Nå har jeg en clue her.. Men trenger hjelp fra dere der ute
Hvis dere ser på bildet nedenfor, kunne noen av dere ha tatt bilde av hvilken slanger som skal hvor, på baksiden av der pilen er?
Corrado G60
Kisseg60
Posts: 1507 Joined: 13 Dec 2006, 18:57
Location: Nesodden
Post
by Kisseg60 » 21 Jan 2008, 16:43
jeg kan knipse noen bilder baki der etterpå.
Skal ned i garasjen i dag.
Kisseg60
Posts: 1507 Joined: 13 Dec 2006, 18:57
Location: Nesodden
Post
by Kisseg60 » 21 Jan 2008, 20:16
Disse du tenkte på??
junjun
Posts: 43 Joined: 26 Apr 2007, 13:12
Location: Sørlandet
Post
by junjun » 21 Jan 2008, 21:16
Flott at du tar bilde
Viss du ser der med pila, hva er det for en skrue? er det en slags ventil, eller er det bare en tett skrue? Har mista den skruen ser du :S
Corrado G60
Kisseg60
Posts: 1507 Joined: 13 Dec 2006, 18:57
Location: Nesodden
Post
by Kisseg60 » 21 Jan 2008, 22:22
Den skruen er jeg ikke sikker på hva er til!
Har rett og slett ikke peiling.!
junjun
Posts: 43 Joined: 26 Apr 2007, 13:12
Location: Sørlandet
Post
by junjun » 21 Jan 2008, 22:47
Noen andre kloke hoder som vet?
Var på verksted og hørte, og den delen var visst ikke å oppdrive :s
Hadde jo vært kjekt å vite om jeg bare kunne tatt en helt vanlig skrue, eller en annen reserveløsning... Noen andre som har hatt dette problemet og mistet skruetingen, og eventuelt hva de har gjort?
Corrado G60
Mouh
Über Admin
Posts: 1487 Joined: 30 Nov 2005, 22:50
Location: Voss
Contact:
Post
by Mouh » 21 Jan 2008, 23:26
her kan du se.. altså ikke en vanlig skrue, og det er nok noe som følger med spjelet.
Kristaafa
Posts: 725 Joined: 19 Jun 2007, 09:44
Location: Horten
Post
by Kristaafa » 22 Jan 2008, 09:06
Dette er jo, som det står på tegningen over også, skruen du justerer tomgangen med. Kan vel være kjekt å få tak i en slik igjen da.